| Sign In | Join Free | My gimpguru.org |
|
Brand Name : ifm
Model Number : OPU208
Certification : ce
Place of Origin : germany
MOQ : 10
Price : usd150 piece
Payment Terms : L/C, D/A, D/P, T/T, Western Union, MoneyGram
Supply Ability : 1000
Delivery Time : 5-8 days
Packaging Details : carton
Dimensions [mm : 3
Operating voltage [V : 3
Communication interface : IO-Link
Ambient temperature [°C : 3
Electrical design : NPN
Switching Frequency DC : 5000HZ
Optical fork sensors / Optical angle sensors 1 Functions and features The optical fork sensors / optical angle sensors detect objects and materials without contact and indicate their presence by a switching signal.
| Wave length [nm] | 660 |
| Operating voltage [V] | 10...30 DC |
| Electrical design | NPN |
| Switching frequency DC [Hz] | 5000 |






Mounting

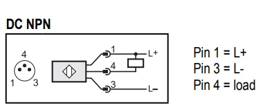
3 Electrical connection
The following information is valid, if an UL Listingmark is applied on the product: ► For use in NFPA 79 applications only. Adapters providing field wiring means are available from the manufacturer. Refer to manufacturers information. ► The device shall be supplied from a class 2 rated power supply

4 Operating and display elements

5 Technical data

1 Intended use
This info card is to complement the data sheets. For further information and contact addresses please visit www.ifm.com.
2 Function


Electrical connection
The unit must be connected by a qualified electrician.
► The national and international regulations for the installation of electrical equipment must be adhered to.
► Ensure voltage supply to EN 50178, SELV, PELV. The following indications apply if there is a UL listing mark on the product: ► For use in NFPA 79 applications only. Adapters providing field wiring means are available from the manufacturer. Refer to manufacturers information.
► The device shall be supplied from an isolating transformer having a secondary Listed fuse rated a) max 5 amps for voltages 0...20 Vrms (0...28.3 Vp) or b) 100/Vp for voltages of 20...30 Vrms (28.3...42.4 Vp).


Installation

Settings
The unit and the parameters are set via the operating elements (→ 6.2).
For selected units, setting can be done via IO-Link (→ 6.1).
6.1 IO-Link This unit has an IO-Link communication interface which enables direct access to process and diagnostic data. In addition it is possible to set the parameters of the unit while it is in operation. Operation of the unit via an IO-Link interface requires an IO-Link master. With a PC, suitable IO-Link software and an IO-Link adapter cable communication is possible when the system is not in operation. The IODDs necessary for the configuration of the unit, detailed information about process data structure, diagnostic information, parameter addresses and the necessary information about the required IO-Link hardware and software can be found at www.ifm.com. To set the sensor via IO-Link, the parameter [L-r] must be changed from [local] to [remote] via IO-Link.
6.2 Operating elements 6.2.1 Setting of the output function

Operation
► Check whether the unit operates correctly.
> The yellow LED is lit when the output is switched.
Maintenance, repair, disposal
► Keep the lens of the sensor free from soiling.
► For cleaning do not use any solvents or cleaning agents which could damage the lens.
► After use dispose of the unit in an environmentally friendly way in accordance with the applicable national regulations. Faulty sensors must only be repaired by the manufacturer
|
|
IFM Photoelectric Fork Sensor 30V DC 50x10x60 OPU208 Float Level Switch Images |